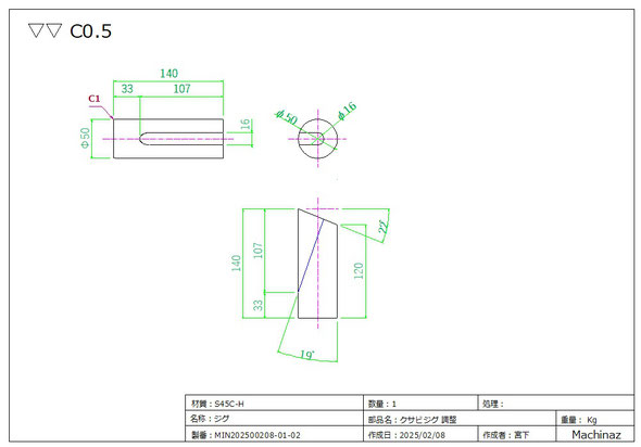
MachinaZ · 12日 2月 2025 現物と同じものを製作してください こんにちは! 石川県白山市の機械加工と板金加工マキナーズ(MachinaZ)の宮下です。 今回は、お客様から 「図面はないけど、現物と同じものを製作してください!」 と無茶なご依頼。。。 話を聞いてみると 建設現場でシャフトを外すときに使用しているクサビ(楔)とのこと 材質は、S45C-Hを使用して 現物を測定して、CADに落とし込む。。。 とりあえず、製図はできたのでめでたしめでたし・・ tagPlaceholderカテゴリ: コメントをお書きください コメント: 0
コメントをお書きください